CAJA COMBINADORA DE CC 500 V / 1000 V SHLX-PV4/1
Configuración del producto en la caja
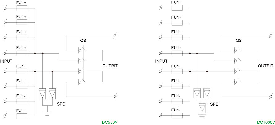
CC 550 V
• Fusible de CC de 1100 V × 8
• Disyuntor de CC de 550 V × 1
• Protector contra sobretensiones de CC de 500 V × 1
CC 1000 V
• Fusible de CC de 1100 V × 8
• Disyuntor de CC de 1000 V × 1
• Protector contra sobretensiones de CC de 1000 V × 1











